Projects Home Schematics Datasheets Links    
   
Description

Adding a character LCD module to any embedded design is not a daunting task. Today there are many LCD manufacturers such as Optrex, Hantronix, Microtips, etc, that offer a variety of character LCD modules with a parallel interface based on the old Hitachi HD44780 or its Samsung cousin KS0066 controllers.

The HD44780 parallel interface became sort of a de facto standard for communicating a microprocessor or microcontroller to a dot matrix character display, this interface is also being used today for some vacuum fluorescent displays (VFD).

The interface consists on a 4 or 8 bit bidirectional data and address bus, and three control signals, Enable (E), Register Select (RS to gain access to the controller registers or via DMA to the character RAM buffer) and Read/Write (RW to select the direction of the operation and bidirectional bus).

But what do you do if you are short on I/O pins but have a SPI interface that can be shared ?

This project shows an example about how to add a character LCD module to the LJCV Electronics PICNet 1 Development Board running the Microchip TCP/IP Stack using a Microchip MCP23S08 port extender to connect the LCD module via the SPI interface.






PICNet 1 + 2x16 LCD via SPI
[Click Image to Enlarge]


MCP23S08 on the PICNet 1
[Click Image to Enlarge]

Design considerations

The Microchip MCP23S08 8-bit port extender chip costs less than a buck and can help you to extend the I/O capabilities of your design using the SPI interface to communicate with it (Microchip has a similar device with an I2C interface and both are also available in a 16-bit version).

Obviously this require some additional lines of code and a few more cpu cycles and sharing the SPI interface, but the performance on the main application is minimal and for a low pin count device presents a very viable alternative to add more I/O ports.

Then for this project we will drive the 4-bit data bus and control signals for the LCD module from the MCP23S08 requiring only one I/O pin for the Chip Select (CS) of the port extender.

There is no need to read back any data from the LCD since we will be using delays instead of checking for a BUSY state (the LCD driver routines for the TCP/IP Stack must be non blocking to permit cooperative multitasking) then we can tie R/W to gnd and we will be using the MCP23S08 only to write to the LCD, but MCP23S08 implements a full bidirectional I/O port with some extra features like generating interrupt signals on port status change, etc.

For this project I used a Microtips Technology MTC-S16204 2x16 display module. The picture above shows the PICNet 1 board with the LCD module installed and the picture below with the LCD module removed to expose the location of the MCP23S08 port extender.

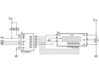
Then we will use only the RA2 I/O pin to drive CS of the MCP23S08 as shown in the schematic below.


[Click on the image for a larger view]

A printable pdf format schematic showing the connections from the MCP23S08 to the LCD is also available in the links section below.


Getting the board up and running

The latest modified version of the Microchip TCP/IP Stack v3.75 includes a different set of LCD drivers than the original version. The new driver is more versatile and easy to configure and includes the option to write to a local character memory buffer (as used in the TCP/IP Stack code) or directly to the LCD memory buffer.

The software also includes the driver for the MCP23S08 port extender and the option for the character LCD driver to use it as the interface to the display.

The hardware configuration is defined in the picnet1_spilcd.h include file which for the LCD configuration using the SPI interface includes the following macros:

//***************************************************************
// LCD Module features and configuration
//
#define USE_LCD
#define USE_CM_LCD // Include Character Mode LCD Driver
#define LCD_USE_BUFFER // Enable local RAM LCD Buffer
//#define LCD_USE_CGCHARS // Enable Custom Characters support
#define LCD_USE_SPI
#define LCD_4BIT_IFACE
#define LCD_ROWS 2
#define LCD_COLS 16

#define USE_MCP23S08
#define PORTX_CS_IO (LATBAits.LATA2)
#define PORTX_SPI_IF (PIR1bits.SSPIF)
#define PORTX_SSPBUF (SSPBUF)
#define PORTX_SPISTAT (SSPSTAT)
#define PORTX_SPICON1 (SSPCON1)
#define PORTX_ADDRESS (0x00)
#define PORTX_SPICON1_CFG (0x20)
#define PORTX_SPISTAT_CFG (0x40)

Make sure that this configuration reflects your circuit and LCD geometry (rows & columns), and remember to properly set the initial values for the direction and initial state for the I/O port in the GPIO Ports assignment section.

This new version adds the PICNET1 macro definition that combined with the device selection for the Microcontroller generates the appropriate code for this particular project.

The software distribution includes the MPLAB IDE project file PICNET1.mcp, load this project into MPLAB IDE, select the correct processor (by default the project has selected the PIC18F4620) and verify that the settings on the config.h are consistent with your project and that for the PICNET1 you are including the picnet1_spilcd.h header file.

For additional details check the README.TXT file included in the software distribution.

For a detailed explanation about how to build Microchip's TCP/IP stack
for this or similar projects Click Here.


Schematics & Firmware source Code

eIP10 + parallel LCD via SPI interface w/MCP23S08 Schematics  
Building the Microchip TCP/IP Stack for this project  


Datasheets for relevant parts used in this project

LJCV Electronics PICNet 1 Development Board Product Page  
Microtips Technology MTC-16204 Character LCD Module  
Microchip MCP23S08 8-bit Port Expander  


Useful Links

TCP/IP Stack Source code and useful software tools

Microchip's TCP/IP Stack v3.02  
Microchip's TCP/IP Stack v3.60  
Microchip's TCP/IP Stack v3.75  
Microchip's TCP/IP Stack v4.02  
Microchip's TCP/IP Latest Version  
Microchip's MPLAB Integrated Development Environment  
Microchip's MPLAB C18 Compiler  
Wireshark (formerly Ethereal) Network Protocol Analyzer  
CoffeCup HTML Editor 2007  


Additional Resources

Brush Electronics Ethernet Boot Loader  
Microchip TCP/IP Stack Application Note (AN833)  
Microchip Users Forum - TCP/IP-Ethernet  




   
    ©2006-2009, Jorge Amodio, All rights reserved

Last Update: Jan 28, 2008